

一、概述
适用于冶金、矿山、水泥、化工、造纸等行业的大型开式齿轮(如球磨机、回转窑、挖掘机、高炉布料器等)以及钢丝绳、链条的润滑。它具有将润滑剂超越一定的空间,定向,油气润滑的优点定量而均匀地喷射到摩擦表面进行电动干油泵润滑等特点。
二、技术参数
使用介质为锥入度310~400(25C.150g)1/10mm的润滑脂(NGo~1)或枯度等级大于N120的工业泪滑油
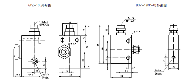
三、外形尺寸
四、使用说明
1、使用的润滑脂必须经过过滤,质地均匀的,在规定范围内的润滑脂或油。
2、进气管路中必须设置气动三联件,移动式电动润滑泵保证空气的洁净、干燥、衡压。
3、输剂管内不许进入空气,以免影响喷雾。